首页
关于我们
党的建设
新闻中心
社会责任
信息公开
首页
>
信息公开
>
国网扬州供电公司
>
停限电有关信息
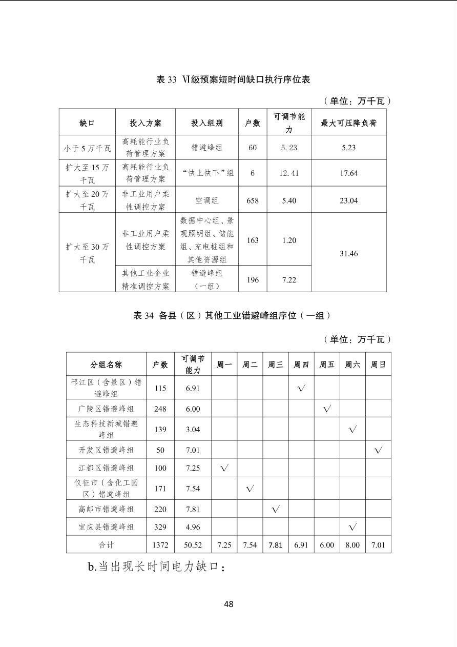
扬州市2023年电力负荷管理预案
发布时间:2023-06-15
字号:
大
中
小
TOP