无障碍阅读:
后退
刷新
纯文本通道
页面放大
页面缩小
文字放大
文字缩小
原色
主题黑
主题蓝
辅助线
帮助
消费者
求职者
传媒者
首页
关于我们
新闻动态
通知公告
营业网点
联系我们
信息公开
通知公告
重要公告
节电常识
首页
>>
通知公告
>>
重要公告
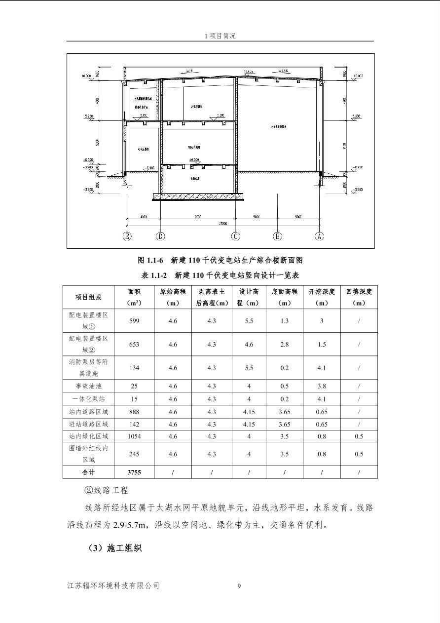
江苏苏州出口110千伏输变电工程水土保持方案报告表
发布日期:
2025-02-05
信息来源:
苏州供电公司
上一张
下一张
相关链接