无障碍阅读:
后退
刷新
纯文本通道
页面放大
页面缩小
文字放大
文字缩小
原色
主题黑
主题蓝
辅助线
帮助
消费者
求职者
传媒者
合作者
首页
关于我们
新闻动态
通知公告
营业网点
联系我们
信息公开
通知公告
重要公告
法规政策
节电常识
安全用电
首页
>>
通知公告
>>
重要公告
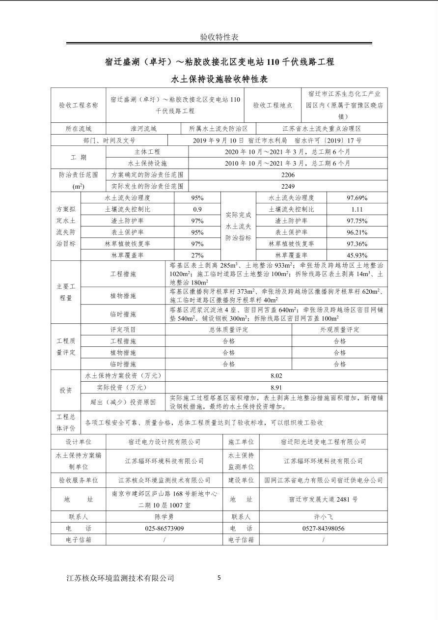
宿迁卓圩~叶庄110kV线路工程水保设施验收鉴定书及验收报告和监测总结报告
发布日期:
2021-07-08
信息来源:
内网
上一张
下一张
上一张
下一张
上一张
下一张
上一张
下一张
相关链接